For decades, AI engineers built software that simulated neurons—layered, weighted, and trained by backpropagation. The architecture was inspired by the brain, but only abstractly. Now, Cortical Labs has collapsed that distinction. Their new system, CL1, doesn’t just mimic a neural network. It is one. CL1 is the world’s first commercially available biological computer, where living human neurons—cultured from stem cells—are integrated onto silicon hardware. These neurons, maintained in a closed bioreactor system, connect to a digital interface via Cortical Labs’ proprietary biOS operating system. They fire, adapt, forget, and learn—just like they would in the brain.
That shift—from metaphor to material—marks a turning point in AI and computing. CL1 doesn’t simulate biological intelligence. It runs on it.

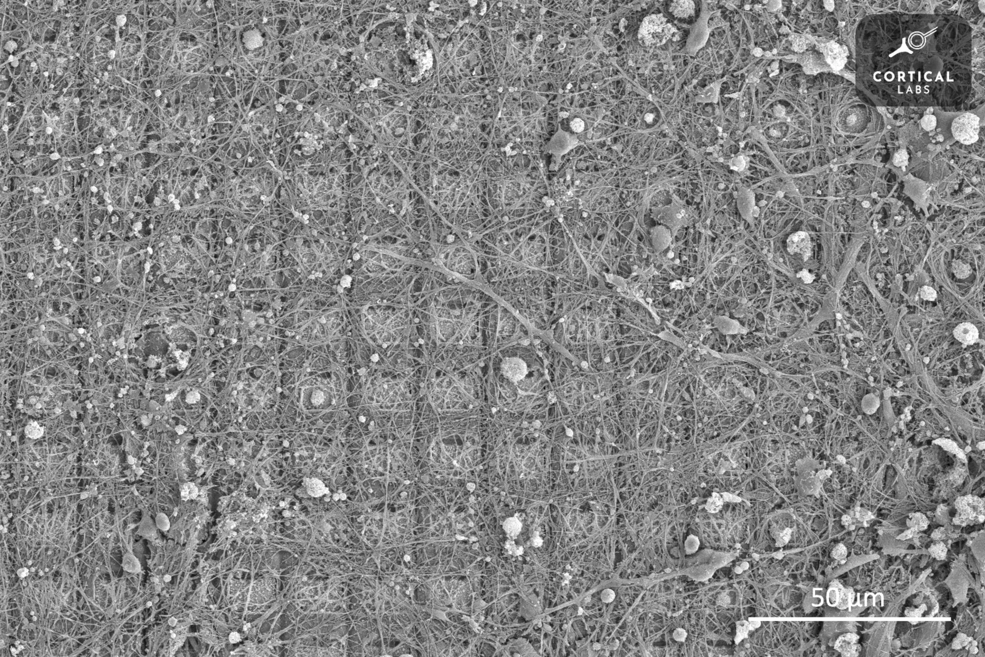
Biological Hardware: How CL1 Uses Human Neurons for Adaptive Computing
CL1 (short for Cortical Labs 1) embeds approximately 800,000 live human neurons onto a high-density microelectrode array. The neurons are housed in a fluidic system that keeps them alive and functional for up to six months. Through electrical stimulation, digital inputs are translated into patterns the neurons respond to—and their outputs are monitored, interpreted, and relayed back to the user.

The CL1 biological computer was built for learning and feedback-driven tasks. Cortical Labs demonstrated this in 2021 with neurons learning to play Pong in under five minutes—without being explicitly programmed to do so. The neurons improved performance by reacting to real-time inputs and adjusting responses through a reward-based feedback loop. This feedback learning process is key to CL1’s value. Unlike deep learning models that require millions of data points and massive compute power, biological neurons can generalize quickly and use sparse data to adapt—something traditional machine learning still struggles with. CL1 isn’t built for general-purpose computing. It’s not replacing CPUs or GPUs. But it is designed to solve problems in fields like neuroscience, pharmacology, and AI research where living neural data can drive smarter, faster decisions.

From an energy standpoint, the comparison is stark. Biological neurons consume power in the milliwatt range. CL1’s entire rack operates at under 1 kilowatt—dramatically lower than the energy demands of GPU clusters running equivalent learning tasks. To make the platform more accessible, Cortical Labs launched Cortical Cloud, a remote-use model that lets researchers access CL1 as “wetware-as-a-service.” This cloud system allows researchers to stream inputs to the neurons and receive responses in real time—without needing to host biological hardware onsite. This gives CL1 potential reach across institutions, startups, and universities that lack wet lab facilities. It also opens the door for faster iteration on biologically-informed AI models, drug response tests, and adaptive system prototyping.

Ethical Boundaries and Real-World Investment in Biological AI
CL1’s use of human neurons raises ethical questions—but not of the “sentient AI” variety. The neurons come from induced pluripotent stem cells (iPSCs) and are not capable of consciousness, sensation, or thought. Cortical Labs emphasizes that these neural networks are functionally closer to organoids than brains: responsive but not reflective. Still, the notion of a learning system made of human cells introduces fresh ethical ground. If a system can adapt, is it "thinking"? If it scales to billions of cells, does it change our definition of cognition—or computation?
Regulators haven’t caught up. For now, CL1 operates within the same ethical boundaries as other stem-cell-based research. But as synthetic biological intelligence (SBI) progresses, international bodies may need new frameworks that bridge computing ethics and life sciences protocols. The tech industry, however, isn’t waiting. Cortical Labs has raised over $11 million in venture funding from high-profile investors, including Horizons Ventures and In-Q-Tel (the investment arm of the CIA). Their roadmap includes larger-scale neuron networks, expanded cloud access, and CL1 server clusters deployed at research institutions.
CL1 units are priced at approximately $35,000, with additional costs tied to cloud services and maintenance. But for researchers accustomed to GPU farms and high-performance computing infrastructure, the entry point is competitive—especially given the novel data the system generates.
Why Biological Computing Could Reshape the Future of AI
CL1 doesn’t train large language models or generate photorealistic images. But it learns—in a way that silicon alone cannot replicate. That makes it a compelling parallel track to today’s dominant AI approaches.

Biological systems excel at pattern recognition, memory compression, and energy-efficient adaptation. As AI developers confront bottlenecks in training costs, inference speed, and energy use, biological computers like CL1 present a viable alternative—not to replace silicon, but to augment it. In that sense, CL1 isn’t an outlier—it’s a prototype for what AI hardware might look like next. It challenges assumptions about how intelligence must be encoded, and it blurs the boundary between biology and computation in ways that traditional hardware cannot.

Cortical Labs insists this isn’t science fiction. It’s a product. It's shipping now. And while it's not a conscious machine or a plug-and-play brain, it is a serious tool built for researchers, not just headlines.
If computation is moving toward systems that learn not just quickly but organically, then biological computers like CL1 may be closer to the future than most people realize.